Miniature Circuit Breaker JCB1-125 6kA/10kA
Introduction
JCB1-125 circuit breaker is designed to offer a high industrial performance level, it protects circuit against short circuit and overload current. 6kA/10kA breaking capacity makes it the perfect choice in commercial and heavy industrial applications.
JCB1-125 circuit breaker have been made from the highest grade components. This is to ensure reliability in all applications where protection against overload and short circuit is required.
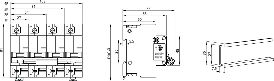
JCB1-125 circuit breaker is a low voltage multistandard miniature circuit breaker (MCB), the rate current up to 125A. The frequency is 50Hz or 60Hz. The presence of green strip guarantees contact open physically and allows work to be carried out safely on the downstream circuit. The operating temperature is -30°C to 70°C. The storage temperature is -40°C to 80°C
JCB1-125 circuit breaker has good overvoltage withstand capacity. It has an electrical endurance going up to 5000 cycles and a mechanical endurance going up to 20000 cycles.
JCB1-125 circuit breaker complete with 27mm pole width and ON/OFF indicators. it can be clipped on a 35mm DIN rail. It has a pin type busbar terminal connection
JCB1-125 circuit breaker comply with both industrial standard IEC 60898-1, EN60898-1, AS/NZS 60898 and residential standard IEC60947-2, EN60947-2, AS/NZS 60947-2
JCB1-125 circuit breaker is available in various breaking capacities, these breakers are the perfect choice for a wide variety of applications.
Product Description


Technical Data
| Standard | IEC/EN 60898-1 | IEC/EN 60947-2 | |
|
Electrical features |
Rated current In (A) | 1, 2, 3, 4, 6, 10, 16, | |
| 20, 25, 32, 40, 50, 63,80 | |||
| Poles | 1P, 1P+N, 2P, 3P, 3P+N, 4P | 1P, 2P, 3P, 4P | |
| Rated voltage Ue(V) | 230/400~240/415 | ||
| Insulation voltage Ui (V) | 500 | ||
| Rated frequency | 50/60Hz | ||
| Rated breaking capacity | 10 kA | ||
| Energy limiting class | 3 | ||
| Rated impulse withstand voltage(1.2/50) Uimp (V) | 4000 | ||
| Dielectric test voltage at ind. Freq. for 1 min (kV) | 2 | ||
| Pollution degree | 2 | ||
| Power loss per pole | Rated current (A) | ||
| 1, 2, 3, 4, 5, 6, 10,13, 16, 20, 25, 32,40, 50, 63, 80 | |||
| Thermo-magnetic release characteristic | B, C, D | 8-12In, 9.6-14.4In | |
|
Mechanical features |
Electrical life | 4, 000 | |
| Mechanical life | 20, 000 | ||
| Contact position indicator | Yes | ||
| Protection degree | IP20 | ||
| Reference temperature for setting of thermal element(℃) | 30 | ||
| Ambient temperature (with daily average ≤35℃) | -5...+40 | ||
| Storage temperation (℃) | -35...+70 | ||
| Installation | Terminal connection type | Cable/U-type busbar/Pin-type busbar | |
| Terminal size top/bottom for cable | 25mm2 / 18-4 AWG | ||
| Terminal size top/bottom for Busbar | 10mm2 / 18-8 AWG | ||
| Tightening torque | 2.5 N*m / 22 In-Ibs. | ||
| Mounting | On DIN rail EN 60715 (35mm) by means of fast clip device | ||
| Connection | From top and bottom | ||
|
Combination |
Auxiliary contact | Yes | |
| Shunt release | Yes | ||
| Under voltage release | Yes | ||
| Alarm contact | Yes | ||

JCB1-125
JCB2-40M
JCB3-63DC
JCB3-80H
JCB3-80M
JCBH-125
JC125-4P
JCMX
JCSD
JCOF
JCMX1-125
JCOF1-125
JCSD1-125
JCR3HM
JCRD2-125
JCRD4-125
JCRB2-100
JC3RH-2P
JC3RH-S
JC3RH-B
JC3RH-BS
JCR2-63
JCR1-40
JCB2LE-80M
JCB2LE-80M
JCB2LE-80M
JCB2LE-40M
JCB1LE-125
JCB3LM-80
JCH2-125
JCH2-125
CJX2
CJ19
JCMCU
JCHA
JCSD-40
JCSD-60
JCSP-40
JCSP-60
JCSPV
WEW1-1000
WEW1-1600
WEW1-2000
WEW1-3200
WEW1-4000
WEW1-6300
DC6-125
AX-400-1250
AXAL-400-1250A
AL-400-1250
DC3-160
AXS-400-1250A
SHT-125-160
UVT-125-160A
P-250A-3P-A
400-3P/4P terminal cover
1250-3Pmccb accessories busbar
250-3P terminal conver
WLM6-TCV-160A-3P
WLM6-MIP-250A
WLM6-125A-3300 3P/4P
WLM6-160A-3300 3P/4P
WLM6-250A-3300 3P/4P
WLM6-400A-3300 3P/4P
WLM6-630A-3300 3P/4P
WLM6-800A-3300 3P/4P
WLM6-1250A-3300 3P/4P
WLM6-1600A-3300 3P/4P
WLM6-2000A 3P/4P
WLM8-125H-3300
WLM8-250H-3300
WLM8-400H-3300
WLM8-400H-4300
WLM8-630H-3300
WLM8-630H-4300
WLM6RT-125A
WLM6RT-160A
WLM6RT-250A
WLM6RT-400A
WLM6RT-630A
WLM6RT-800A
WLM6RT-1250A
WLM6E-160A-3300 3P
WLM6E-250A-3300
WLM6E-400A-3300 3P/4P
WLM6E-630A-3300
WLM6E-800A-3300 3P/4P
WLM6E-1250A-3300
WLM6E-1600-3300 3P/4P
WLM6E-2000A-3300 3P/4P
WLM8E-250H-3300
WLM8E-400H-3300
WLM8E-400H-4300
WLM8E-630H-3300
WLM8E-630H-4300
WLM6EY-250-3300 3P/4P
WLM6EY-400 3P/4P
WLM6EY-630 3P/4P
WLM6EY-800A 3P/4P
WLM6EY-1250A 3P/4P
WLM6ELY-160A
WLM6ELY-250A
WLM6ELY-400A
WLM6ELY-800A
WLM6ELY-1250A
WLM8EY-250H-3300
WLM8EY-400H-3300
WLM8EY-630H-3300
WLM6LY-125A
WLM6L-160A
WLM6LY-250A
WLM6LY-400A
WLM6LY-800A
WLM6LY-630A
WLM6LY-1250A
WLM8LY-125H-3300
WLM8LY-250H-3300
WLM8LY-400H-3300
WLM8LY-630H-3300
JCB3-63DC
JCB1-125DC
WLM7DC-250A-2300 2P/3P
WLM7DC-315A-3300 2P/3P
WLM7DC-400A-2300 2P/3P
WLM7DC-630A-3300 3P
WLM7DC-800A-2300 2P/3P
WLM7DC-400A 2300
WLM7DC-630A-2300 2P
WLM7HU-250-3300 3P
WLM7HU-315-3300 3P
WLM7HU-400-3300 3P
WLM7HU-630-3300 3P
WLM7HU-800-3300 3P
PV-1500V/250A
WEW3-1600
WEW3-2500
WEW3-4000
WEW3-7500




